本標準代替GB/T2275-2001(鎂磚)
本標準與GB/T2275-2001 相比有如下不同:
— 改變了標準的名稱:
—增加了鎂磚M-98牌號的技術要求
鎂磚的理化指標應符合下表的規定。

一:試驗方法
1. 磚的檢驗制樣按GB/T 7321 進行。
2. MgO 、AL2O3、SiO2、CaO 的含量測定按GB/T5069 進行。
3. 顯氣孔率和體積密度的檢驗按GB/T2997進行。
4. 常溫耐壓強度的檢驗按GB/T5072.2進行。
5. 荷重軟化溫度的檢驗按YB/T 370進行
6. 加熱悠久線變化的檢驗按GB/T5988進行
7. 抗熱震的檢驗按YB/T376.1進行
8. 熱膨脹的檢驗GB/T7320進行。
9. 磚的尺寸、外觀及斷面檢查按GB/T10326進行。
二:質量評定程序
磚以120t為一批,不足120t時仍按一批進行。
三:抽樣及合格判定規則
抽樣、驗收按GB/T10325進行,顯氣孔率、常溫耐壓強度、荷重軟化溫度為驗收檢驗項目。需要復驗時,單值允許偏差應符合下表的規定。
四:合格評定形式
合格評定可采用供貨方聲明、使用方認定或第三方認證的形式進行。
五:標志、運輸和儲存及質量證明書
1:標志、包裝、運輸和儲存按GB/T16546 進行。
2:磚發出時,應附有供方質量監督部門簽發的質量證明書,載明:供方名稱、需方名稱、生產日期、合同號、產品名稱、標準編號、牌號、磚號、批號、尺寸、外觀及理化指標等內容。
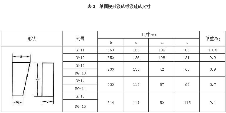
鎂磚的名稱 、形狀及尺寸,國家現行標準GB1590-79 規定如下。
直形鎂磚的形狀和尺寸見表1

單面楔形鎂磚形尺寸見表2

側楔形鎂磚磚形尺寸見表3

豎楔形鎂磚形尺寸見表4

平楔形鎂磚形尺寸見表5
